企业Logo

直线运动零件

直线轴承导向轴支座固定环无油衬套线性导向轴模组/单轴机器人直线电机模组直线导轨滚珠丝杠/丝杆滚珠丝杠支撑座梯形丝杠用支座组件梯形丝杠/滑动丝杠用螺母梯形丝杠/滑动丝杠梯形丝杆防转动固定件SBR直线圆导轨交叉滚子拖链/坦克链滚珠丝杆螺母座无油板/导轨/滑块推杆电缸

传动类零件

万向节联轴器同步带轮惰轮同步带齿板链条齿轮齿条万向球包胶轴承带式输送机/塑料链板输送机平皮带滚轮圆皮带/带轮接驳带滚轮条免键胀套

工业框体零件

铝合金型材铝合金型材配件脚轮脚杯/脚垫手柄锁扣/磁吸拉手旋钮/把手合页手轮门锁/钥匙/锁门滑轮工业滑轨握柄机床吊臂系列

机械标准件

轴承轴承座鱼眼轴承凸轮轴承随动器/滚子轴承随动器带座轴承锁紧螺母定位销/衬套悬臂销/铰链销快速夹钳调整螺钉/调整块支柱/支柱固定夹/支座柱塞止动销支点用台阶螺丝马达/减速机/减速电机组件矩形弹簧全种类弹簧调整连结零件/磁铁手动·电动位移台及配件挡圈/卡簧键中空旋转平台
汽车解决方案

汽车解决方案

非标设备解决方案

非标设备解决方案

物流解决方案

物流解决方案

电子元件解决方案

电子元件解决方案

自动化检测解决方案

自动化检测解决方案

机器人及应用解决方案

机器人及应用解决方案

产品目录

产品目录

3D零件库

3D零件库

公司介绍
购买渠道
首页
公司介绍
购买渠道
产品中心
解决方案
汽车解决方案

汽车解决方案

非标设备解决方案

非标设备解决方案

物流解决方案

物流解决方案

电子元件解决方案

电子元件解决方案

自动化检测解决方案

自动化检测解决方案

机器人及应用解决方案

机器人及应用解决方案

下载中心
产品目录

产品目录

3D零件库

3D零件库

  • 机械零件
  • 工业控制
  • 传感器
  • 低压配电
  • 电气辅材
  • 气动元件
  • 工厂易耗品
  • 汽车
  • 非标设备
  • 物流
  • 电子元件
  • 自动化检测
  • 机器人及应用
  • 产品目录
  • 3D零件库
  • 品牌故事
  • 品牌愿景
  • 品牌使命
  • 注册协议
  • 隐私协议

联系我们

联系电话

400-881-9500

公司地址

上海市闵行区秀连路133号AFC大虹桥国际A座220室

©2025 YESMRO. 保留所有权利 | 沪ICP备2025142508号-1

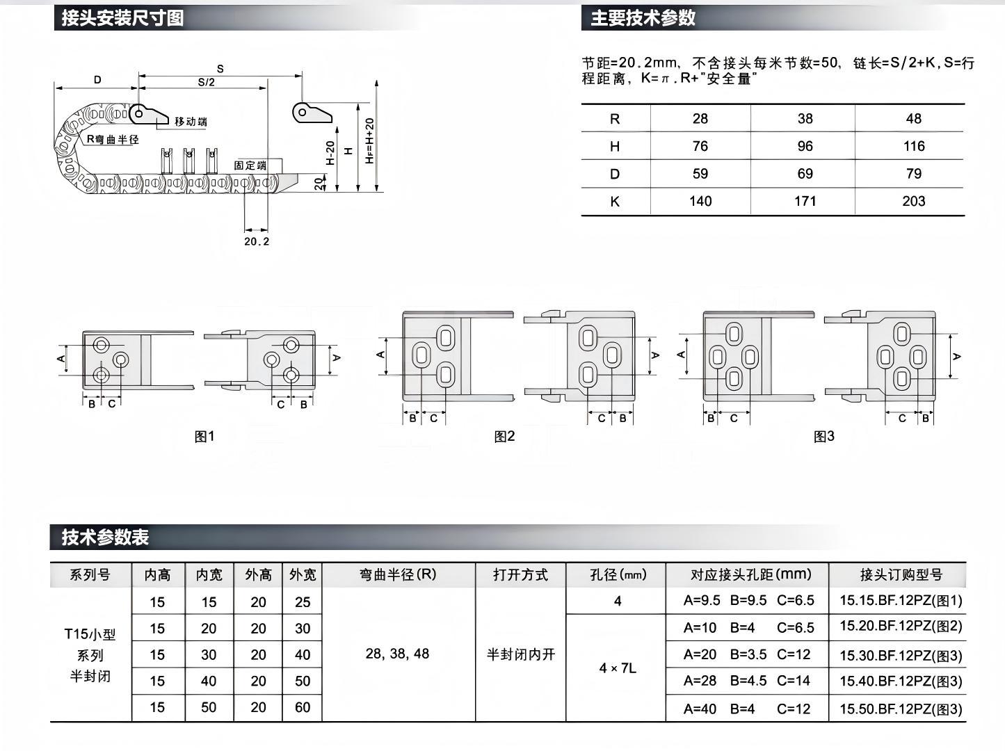
首页拖链/坦克链拖链 半封闭内侧打开型 高性价比

拖链 半封闭内侧打开型 高性价比

拖链 半封闭内侧打开型 高性价比

卖点

商品卖点编辑中,敬请期待

立即购买立即购买


抱歉,暂无下载资料

抱歉,暂无下载资料